欢迎您加入荣耀芯城!
登录
注册
忘记密码?
首页
关于荣耀
产品展示
新闻动态
国产器件
联系我们
首页
关于荣耀
产品展示
新闻动态
国产器件
联系我们
登录
请输入您想查询的芯片型号?
更多产品......
当前位置:
产品展示
品牌:
不限
Dioo帝奥微
Silicon矽力杰
JOULWATT杰华特
BP晶丰明源
REACTOR亚成微
Redisem红点
ON-Bright昂宝
Richtek台湾立锜
MAXIC美芯晟
SPMICRO三浦微
WINSEMI稳先微
Chipown芯朋微
leadchip岭芯微
POWLICON宝砾微
CYT长运通
SUNMOON明微
Chiplink芯联
CRPOWTECH华润矽微
REASUNOS瑞森
KIVI必易
SISEM深爱
MPS芯源
ON安森美
NCEPower新洁能
ANHI-安海
CHANGJING长晶
Lonten-龙腾
其他
PowerMicro-源微
Silan-士兰微
JieJie-捷捷微
型号:
不限
LKM
CBB21
A
B
C
D
E
F
G
H
I
J
K
L
M
N
O
P
Q
R
S
T
U
V
W
X
Y
Z
其他
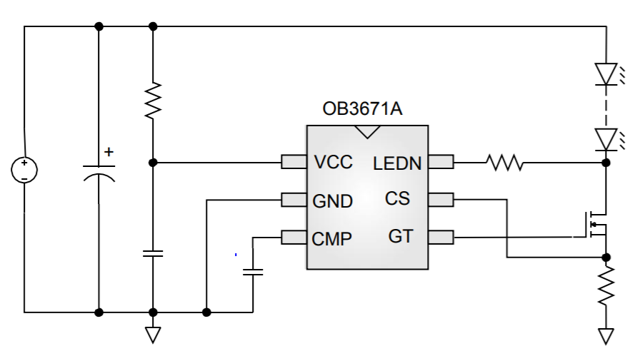
OB3671A
OB3380
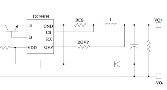
OC9303
OC9201
OC9131
OC9101
OC9102
«
1
2
...
7
8
9
10
11
12
13
14
15
»